中文
|
English
库存折扣
五金产品
电路板间隔柱
耐高压绝缘柱
PC板导轨,拆卸器
尼龙铆钉,销钉
汽车塑料紧固件
汽车专用扎带&卡扣
PEEK,PPS,PEI,Reny 螺丝
螺丝,螺母,垫圈
手转螺丝&把手
组合垫圈,油封
扎线束线带
魔术粘扣带
扎带固定座
线夹,线扣
喉箍,卡箍
护线套 & 护线环
密封条
防水透气阀
扣式孔塞 & 保护盖
脚垫,减震器 ,门扣
阻尼器
风扇配件
环保热缩套管
布线产品,套管,线槽
电缆接头,液压气动配件
绝缘护套,绝缘器
LED 配件,导光柱
接线子
接线端子,线鼻子
铁氧体,磁环
电池材料及配件
客户定制产品
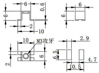
PC板焊接端子 P.C.B TERMINAL
MATERIAL:TIN PLATED BRASS
Unit:mm
Part No.
PCB-19
Copyright 2009 - 2012 上海凯舒电子材料有限公司 版权所有
公司地址:上海市浦东新区民民路380弄3号
电话:021-58381118, 58991538, 58350020 ,50478011 传真:021-50211732 E-mail:info@kinglok.com
沪ICP备09082748号
沪公网安备 31011502005851号